KS D 3568 RECTANGLE STRUCTURAL STEEL HOLLOW SECTIONS

Oil Plant Project

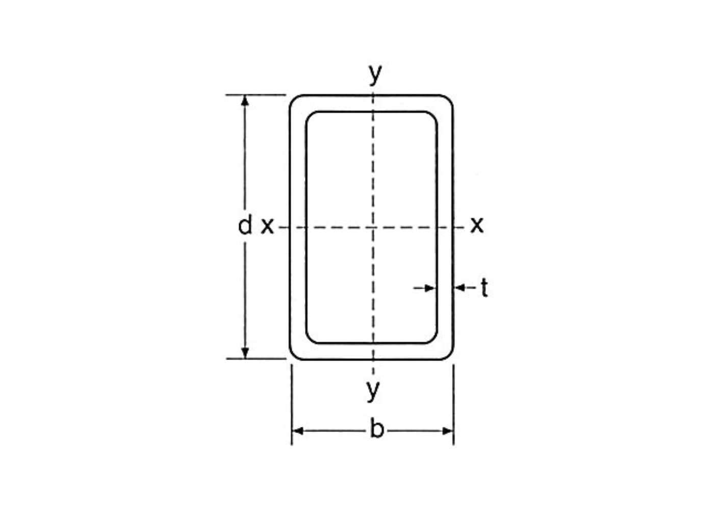
DIMENSIONS OF KS D 3568 STRUCTURAL STEEL RECTANGLE HOLLOW SECTIONS

Section designation Dimensions and properties
Size Thickness
Mass per metre Area of section Ratio for local buckling Second moment of area Radius of gyration Elastic modulus Plastic modulus Torsional constants Surface area
Axis y-y Axis z-z Axis y-y Axis z-z Axis y-y Axis z-z Axis y-y Axis z-z Per metre Per tonne
D x B t A d/t (1) b/t (1) J C

mm mm
kg/m cm2

cm4 cm4 cm cm cm3 cm3 cm3 cm3 cm4 cm3 m2 m2
50 x 30 2.9
3.31 4.21 14.2 7.34 13.2 5.80 1.77 1.17 5.29 3.87 6.70 4.63 13.2 6.37 0.153 46.2

3.0 # 3.41 4.34 13.7 7.00 13.6 5.94 1.77 1.17 5.43 3.96 6.88 4.76 13.5 6.51 0.152 44.6

3.2
3.61 4.60 12.6 6.38 14.2 6.20 1.76 1.16 5.68 4.13 7.25 5.00 14.2 6.80 0.152 42.1

3.6 # 4.01 5.10 10.9 5.33 15.4 6.67 1.74 1.14 6.16 4.45 7.94 5.46 15.4 7.31 0.151 37.7

4.0
4.39 5.59 9.50 4.50 16.5 7.08 1.72 1.13 6.60 4.72 8.59 5.88 16.6 7.77 0.150 34.2

5.0
5.28 6.73 7.00 3.00 18.7 7.89 1.67 1.08 7.49 5.26 10.0 6.80 19.0 8.67 0.147 27.8

5.6 # 5.78 7.37 5.93 2.36 19.7 8.23 1.64 1.06 7.89 5.48 10.8 7.25 20.1 9.05 0.146 25.3

6.3
6.33 8.07 4.94 1.76 20.6 8.50 1.60 1.03 8.26 5.66 11.5 7.68 21.1 9.36 0.144 22.7
60 x 40 2.9
4.22 5.37 17.7 10.8 25.8 13.5 2.19 1.59 8.59 6.77 10.6 7.96 28.4 10.9 0.193 45.7

3.0 # 4.35 5.54 17.0 10.3 26.5 13.9 2.18 1.58 8.82 6.95 10.9 8.19 29.2 11.2 0.192 44.1

3.2
4.62 5.88 15.8 9.50 27.8 14.6 2.18 1.57 9.27 7.29 11.5 8.64 30.8 11.7 0.192 41.6

3.6 # 5.14 6.54 13.7 8.11 30.4 15.9 2.16 1.56 10.1 7.93 12.7 9.50 33.8 12.8 0.191 37.2

4.0
5.64 7.19 12.0 7.00 32.8 17.0 2.14 1.54 10.9 8.52 13.8 10.3 36.7 13.7 0.190 33.7

5.0
6.85 8.73 9.00 5.00 38.1 19.5 2.09 1.50 12.7 9.77 16.4 12.2 43.0 15.7 0.187 27.3

5.6 # 7.54 9.61 7.71 4.14 40.7 20.7 2.06 1.47 13.6 10.4 17.8 13.1 46.2 16.7 0.186 24.7

6.3
8.31 10.6 6.52 3.35 43.4 21.9 2.02 1.44 14.5 11.0 19.2 14.2 49.5 17.6 0.184 22.1

7.1 # 9.14 11.6 5.45 2.63 45.9 22.9 1.98 1.40 15.3 11.5 20.7 15.2 52.7 18.5 0.182 19.9

8.0 # 10.0 12.8 4.50 2.00 47.9 23.7 1.94 1.36 16.0 11.9 22.1 16.1 55.4 19.2 0.179 17.9
80 x 40 2.9
5.13 6.53 24.6 10.8 52.7 17.5 2.84 1.64 13.2 8.77 16.6 10.1 42.6 14.9 0.233 45.4

3.0 # 5.29 6.74 23.7 10.3 54.2 18.0 2.84 1.63 13.6 9.00 17.1 10.4 43.8 15.3 0.232 43.9

3.2
5.62 7.16 22.0 9.50 57.2 18.9 2.83 1.63 14.3 9.46 18.0 11.0 46.2 16.1 0.232 41.3

3.6 # 6.27 7.98 19.2 8.11 62.8 20.6 2.81 1.61 15.7 10.3 20.0 12.1 50.8 17.5 0.231 36.8

4.0
6.90 8.79 17.0 7.00 68.2 22.2 2.79 1.59 17.1 11.1 21.8 13.2 55.2 18.9 0.230 33.3

5.0
8.42 10.7 13.0 5.00 80.3 25.7 2.74 1.55 20.1 12.9 26.1 15.7 65.1 21.9 0.227 27.0

5.6 # 9.30 11.8 11.3 4.14 86.7 27.4 2.70 1.52 21.7 13.7 28.5 17.0 70.2 23.3 0.226 24.3

6.3
10.3 13.1 9.70 3.35 93.3 29.2 2.67 1.49 23.3 14.6 31.1 18.4 75.6 24.8 0.224 21.7

7.1 # 11.4 14.5 8.27 2.63 99.8 30.7 2.63 1.46 25.0 15.4 33.8 19.8 80.9 26.2 0.222 19.5

8.0
12.5 16.0 7.00 2.00 106 32.1 2.58 1.42 26.5 16.1 36.5 21.2 85.8 27.4 0.219 17.5
90 x 50 3.0 # 6.24 7.94 27.0 13.7 84.4 33.5 3.26 2.05 18.8 13.4 23.2 15.3 76.5 22.4 0.272 43.6

3.2
6.63 8.44 25.1 12.6 89.1 35.3 3.25 2.04 19.8 14.1 24.6 16.2 80.9 23.6 0.272 41.0

3.6 # 7.40 9.42 22.0 10.9 98.3 38.7 3.23 2.03 21.8 15.5 27.2 18.0 89.4 25.9 0.271 36.6

4.0
8.15 10.4 19.5 9.50 107 41.9 3.21 2.01 23.8 16.8 29.8 19.6 97.5 28.0 0.270 33.1

5.0
9.99 12.7 15.0 7.00 127 49.2 3.16 1.97 28.3 19.7 36.0 23.5 116 32.9 0.267 26.7

5.6 # 11.1 14.1 13.1 5.93 138 53.0 3.13 1.94 30.7 21.2 39.4 25.7 127 35.4 0.266 24.0

6.3
12.3 15.6 11.3 4.94 150 57.0 3.10 1.91 33.3 22.8 43.2 28.0 138 38.1 0.264 21.5

7.1 # 13.6 17.3 9.68 4.04 162 60.9 3.06 1.88 36.0 24.4 47.2 30.5 149 40.7 0.262 19.3

8.0
15.0 19.2 8.25 3.25 174 64.6 3.01 1.84 38.6 25.8 51.4 32.9 160 43.2 0.259 17.3

8.8 # 16.3 20.7 7.23 2.68 183 67.2 2.97 1.80 40.6 26.9 54.8 34.9 169 45.0 0.257 15.8
100 x 50 3.2
7.13 9.08 28.3 12.6 116 38.8 3.57 2.07 23.2 15.5 28.9 17.7 93.4 26.4 0.292 41.0

3.6 # 7.96 10.1 24.8 10.9 128 42.6 3.55 2.05 25.6 17.0 32.1 19.6 103 29.0 0.291 36.6

4.0
8.78 11.2 22.0 9.50 140 46.2 3.53 2.03 27.9 18.5 35.2 21.5 113 31.4 0.290 33.0

5.0
10.8 13.7 17.0 7.00 167 54.3 3.48 1.99 33.3 21.7 42.6 25.8 135 36.9 0.287 26.6

5.6 # 11.9 15.2 14.9 5.93 181 58.6 3.45 1.96 36.2 23.4 46.8 28.2 147 39.8 0.286 24.0

6.3
13.3 16.9 12.9 4.94 197 63.0 3.42 1.93 39.4 25.2 51.3 30.8 160 42.9 0.284 21.4

7.1 # 14.7 18.7 11.1 4.04 214 67.5 3.38 1.90 42.7 27.0 56.3 33.5 173 46.0 0.282 19.2

8.0
16.3 20.8 9.50 3.25 230 71.7 3.33 1.86 46.0 28.7 61.4 36.3 186 48.9 0.279 17.1

8.8 # 17.6 22.5 8.36 2.68 243 74.8 3.29 1.82 48.5 29.9 65.6 38.5 197 51.1 0.277 15.7

10.0
19.6 24.9 7.00 2.00 259 78.4 3.22 1.77 51.8 31.4 71.2 41.4 209 53.6 0.274 14.0
100 x 60 3.2
7.63 9.72 28.3 15.8 131 58.8 3.67 2.46 26.2 19.6 32.0 22.4 129 32.4 0.312 40.9

3.6 # 8.53 10.9 24.8 13.7 145 64.8 3.65 2.44 28.9 21.6 35.6 24.9 142 35.6 0.311 36.5

4.0
9.41 12.0 22.0 12.0 158 70.5 3.63 2.43 31.6 23.5 39.1 27.3 156 38.7 0.310 32.9

5.0
11.6 14.7 17.0 9.00 189 83.6 3.58 2.38 37.8 27.9 47.4 32.9 188 45.9 0.307 26.5

5.6 # 12.8 16.3 14.9 7.71 206 90.6 3.55 2.36 41.2 30.2 52.0 36.1 205 49.7 0.306 23.9

6.3
14.2 18.1 12.9 6.52 225 98.1 3.52 2.33 45.0 32.7 57.3 39.5 224 53.8 0.304 21.4

7.1 # 15.8 20.2 11.1 5.45 244 106 3.48 2.29 48.8 35.3 62.9 43.2 245 58.0 0.302 19.1

8.0
17.5 22.4 9.50 4.50 264 113 3.44 2.25 52.8 37.8 68.7 47.1 265 62.2 0.299 17.1

8.8 # 19.0 24.2 8.36 3.82 279 119 3.40 2.22 55.9 39.7 73.6 50.2 282 65.4 0.297 15.6

10.0
21.1 26.9 7.00 3.00 299 126 3.33 2.16 59.9 42.1 80.2 54.4 304 69.3 0.294 13.9
120 x 60 3.6
9.66 12.3 30.3 13.7 227 76.3 4.30 2.49 37.9 25.4 47.2 28.9 183 43.3 0.351 36.3

4.0
10.7 13.6 27.0 12.0 249 83.1 4.28 2.47 41.5 27.7 51.9 31.7 201 47.1 0.350 32.7

5.0
13.1 16.7 21.0 9.00 299 98.8 4.23 2.43 49.9 32.9 63.1 38.4 242 56.0 0.347 26.5

5.6 # 14.6 18.6 18.4 7.71 327 107 4.20 2.40 54.6 35.8 69.5 42.1 265 60.8 0.346 23.7

6.3
16.2 20.7 16.0 6.52 358 116 4.16 2.37 59.7 38.8 76.7 46.3 290 65.9 0.344 21.2

7.1
18.1 23.0 13.9 5.45 391 126 4.12 2.34 65.2 41.9 84.4 50.8 317 71.3 0.342 18.9

8.0
20.1 25.6 12.0 4.50 425 135 4.08 2.30 70.8 45.0 92.7 55.4 344 76.6 0.339 16.9

8.8 # 21.8 27.8 10.6 3.82 452 142 4.04 2.27 75.3 47.5 99.6 59.2 366 80.8 0.337 15.5

10.0
24.3 30.9 9.00 3.00 488 152 3.97 2.21 81.4 50.5 109 64.4 396 86.1 0.334 13.7
120 x 80 3.6 # 10.8 13.7 30.3 19.2 276 147 4.48 3.27 46.0 36.7 55.6 42.0 301 59.5 0.391 36.2

4.0
11.9 15.2 27.0 17.0 303 161 4.46 3.25 50.4 40.2 61.2 46.1 330 65.0 0.390 32.8

5.0
14.7 18.7 21.0 13.0 365 193 4.42 3.21 60.9 48.2 74.6 56.1 401 77.9 0.387 26.3

5.6 # 16.3 20.8 18.4 11.3 401 211 4.39 3.18 66.8 52.7 82.3 61.8 442 85.0 0.386 23.7

6.3
18.2 23.2 16.0 9.70 440 230 4.36 3.15 73.3 57.6 91.0 68.2 487 92.9 0.384 21.1

7.1
20.3 25.8 13.9 8.27 482 251 4.32 3.12 80.3 62.8 100 75.2 535 101 0.382 18.8

8.0
22.6 28.8 12.0 7.00 525 273 4.27 3.08 87.5 68.1 111 82.6 587 110 0.379 16.8

8.8 # 24.5 31.3 10.6 6.09 561 290 4.24 3.04 93.5 72.4 119 88.7 629 117 0.377 15.4

10.0
27.4 34.9 9.00 5.00 609 313 4.18 2.99 102 78.1 131 97.3 688 126 0.374 13.6
150 x 100 4.0 # 15.1 19.2 34.5 22.0 607 324 5.63 4.11 81.0 64.8 97.4 73.6 660 105 0.490 32.5

5.0
18.6 23.7 27.0 17.0 739 392 5.58 4.07 98.5 78.5 119 90.1 807 127 0.487 26.2

5.6 # 20.7 26.4 23.8 14.9 814 431 5.55 4.04 109 86.2 132 99.6 891 139 0.486 23.5

6.3
23.1 29.5 20.8 12.9 898 474 5.52 4.01 120 94.8 147 110 986 153 0.484 21.0

7.1 # 25.9 32.9 18.1 11.1 990 520 5.48 3.97 132 104 163 122 1090 168 0.482 18.6

8.0
28.9 36.8 15.8 9.50 1090 569 5.44 3.94 145 114 180 135 1200 183 0.479 16.6

8.8 # 31.5 40.1 14.0 8.36 1170 610 5.40 3.90 156 122 195 146 1300 196 0.477 15.1

10.0
35.3 44.9 12.0 7.00 1280 665 5.34 3.85 171 133 216 161 1430 214 0.474 13.4

11.0 # 38.4 48.9 10.6 6.09 1370 707 5.29 3.80 183 141 233 173 1540 228 0.472 12.3

12.5
42.8 54.6 9.00 5.00 1490 763 5.22 3.74 198 153 256 190 1680 246 0.468 10.9
160 x 80 4.0 # 14.4 18.4 37.0 17.0 612 207 5.77 3.35 76.5 51.7 94.7 58.3 493 88.1 0.470 32.6

5.0
17.8 22.7 29.0 13.0 744 249 5.72 3.31 93.0 62.3 116 71.1 600 106 0.467 26.2

5.6 # 19.9 25.3 25.6 11.3 819 273 5.69 3.29 102 68.2 128 78.5 661 116 0.466 23.4

6.3
22.2 28.2 22.4 9.70 903 299 5.66 3.26 113 74.8 142 86.8 730 127 0.464 20.9

7.1 # 24.7 31.5 19.5 8.27 994 327 5.62 3.22 124 81.7 158 95.9 804 139 0.462 18.7

8.0
27.6 35.2 17.0 7.00 1090 356 5.57 3.18 136 89.0 175 106 883 151 0.459 16.6

8.8 # 30.1 38.3 15.2 6.09 1170 379 5.53 3.15 147 94.9 189 114 949 161 0.457 15.2

10.0
33.7 42.9 13.0 5.00 1280 411 5.47 3.10 161 103 209 125 1040 175 0.454 13.5

11.0 # 36.6 46.7 11.5 4.27 1370 435 5.42 3.05 171 109 225 134 1110 185 0.452 12.3

12.5
40.9 52.1 9.80 3.40 1480 465 5.34 2.99 186 116 247 146 1200 198 0.448 11.0
180 x 60 4.0 # 14.4 18.4 42.0 12.0 697 121 6.16 2.56 77.4 40.3 99.8 45.2 341 72.2 0.470 32.6

5.0 # 17.8 22.7 33.0 9.00 846 144 6.10 2.52 94.0 48.1 122 54.9 411 86.3 0.467 26.2

5.6 # 19.9 25.3 29.1 7.71 932 157 6.07 2.49 104 52.4 135 60.4 451 94.0 0.466 23.4

6.3 # 22.2 28.2 25.6 6.52 1030 171 6.03 2.46 114 57.0 150 66.6 495 102 0.464 20.9

7.1 # 24.7 31.5 22.4 5.45 1130 186 5.99 2.43 126 61.9 166 73.3 542 111 0.462 18.7

8.0 # 27.6 35.2 19.5 4.50 1240 201 5.94 2.39 138 66.9 184 80.4 590 120 0.459 16.6

8.8 # 30.1 38.3 17.5 3.82 1330 212 5.89 2.35 148 70.8 199 86.2 630 127 0.457 15.2

10.0 # 33.7 42.9 15.0 3.00 1460 228 5.83 2.30 162 75.8 220 94.4 683 137 0.454 13.5

11.0 # 36.6 46.7 13.4 2.45 1550 238 5.77 2.26 173 79.4 237 101 722 143 0.452 12.3

12.5 # 40.9 52.1 11.4 1.80 1680 251 5.68 2.20 187 83.7 260 109 770 151 0.448 11.0
180 x 100 4.0 # 16.9 21.6 42.0 22.0 945 379 6.61 4.19 105 75.9 128 85.2 852 127 0.550 32.5

5.0 # 21.0 26.7 33.0 17.0 1150 460 6.57 4.15 128 92.0 157 104 1040 154 0.547 26.0

5.6 # 23.4 29.8 29.1 14.9 1270 506 6.54 4.12 141 101 174 115 1150 169 0.546 23.3

6.3
26.1 33.3 25.6 12.9 1410 557 6.50 4.09 156 111 194 128 1280 186 0.544 20.8

7.1 # 29.2 37.2 22.4 11.1 1560 613 6.47 4.06 173 123 215 142 1410 205 0.542 18.6

8.0
32.6 41.6 19.5 9.50 1710 671 6.42 4.02 190 134 239 157 1560 224 0.539 16.5

8.8 # 35.6 45.4 17.5 8.36 1850 720 6.38 3.98 205 144 259 170 1680 240 0.537 15.1

10.0
40.0 50.9 15.0 7.00 2040 787 6.32 3.93 226 157 288 188 1860 263 0.534 13.4

11.0 # 43.5 55.5 13.4 6.09 2180 839 6.27 3.89 243 168 311 203 2000 280 0.532 12.2

12.5
48.7 62.1 11.4 5.00 2380 908 6.20 3.82 265 182 344 223 2190 303 0.528 10.8

14.2 # 54.4 69.3 9.68 4.04 2590 974 6.11 3.75 288 195 378 244 2380 326 0.523 9.61
200 x 100 4.0 # 18.2 23.2 47.0 22.0 1220 416 7.26 4.24 122 83.2 150 92.8 983 142 0.590 32.4

5.0
22.6 28.7 37.0 17.0 1500 505 7.21 4.19 149 101 185 114 1200 172 0.587 26.0

5.6 # 25.1 32.0 32.7 14.9 1650 556 7.18 4.17 165 111 205 126 1330 189 0.586 23.3

6.3
28.1 35.8 28.7 12.9 1830 613 7.15 4.14 183 123 228 140 1480 208 0.584 20.8

7.1 # 31.4 40.0 25.2 11.1 2020 674 7.11 4.10 202 135 254 155 1630 229 0.582 18.5

8.0
35.1 44.8 22.0 9.50 2230 739 7.06 4.06 223 148 282 172 1800 251 0.579 16.5

8.8 # 38.4 48.9 19.7 8.36 2410 793 7.02 4.03 241 159 306 186 1950 270 0.577 15.0

10.0
43.1 54.9 17.0 7.00 2660 869 6.96 3.98 266 174 341 206 2160 295 0.574 13.3

11.0 # 47.0 59.9 15.2 6.09 2860 926 6.91 3.93 286 185 369 222 2320 315 0.572 12.2

12.5
52.7 67.1 13.0 5.00 3140 1000 6.84 3.87 314 201 408 245 2540 341 0.568 10.8

14.2 # 58.9 75.0 11.1 4.04 3420 1080 6.75 3.80 342 216 450 268 2770 368 0.563 9.56

16.0
65.2 83.0 9.50 3.25 3680 1150 6.66 3.72 368 229 491 290 2980 391 0.559 8.57
200 x 120 5.0
24.1 30.7 37.0 21.0 1680 762 7.40 4.98 168 127 205 144 1650 210 0.627 26.0

5.6 # 26.9 34.2 32.7 18.4 1860 841 7.38 4.95 186 140 227 159 1830 231 0.626 23.3

6.3
30.1 38.3 28.7 16.0 2060 929 7.34 4.92 207 155 253 177 2030 255 0.624 20.7

7.1 # 33.7 42.9 25.2 13.9 2290 1020 7.30 4.89 229 171 281 197 2250 282 0.622 18.5

8.0
37.6 48.0 22.0 12.0 2530 1130 7.26 4.85 253 188 313 218 2500 310 0.619 16.5

8.8 # 41.1 52.4 19.7 10.6 2730 1220 7.22 4.82 273 203 340 237 2700 334 0.617 15.0

10.0
46.3 58.9 17.0 9.00 3030 1340 7.17 4.76 303 223 379 263 3000 367 0.614 13.3

11.0 # 50.4 64.3 15.2 7.91 3260 1430 7.12 4.72 326 239 410 284 3240 393 0.612 12.1

12.5
56.6 72.1 13.0 6.60 3580 1560 7.04 4.66 358 260 455 314 3570 428 0.608 10.7

14.2 # 63.3 80.7 11.1 5.45 3910 1690 6.96 4.58 391 282 503 346 3920 464 0.603 9.53

16.0
70.2 89.4 9.50 4.50 4220 1810 6.87 4.50 422 302 550 377 4250 497 0.599 8.53
200 x 150 5.0 # 26.5 33.7 37.0 27.0 1970 1260 7.64 6.12 197 169 234 192 2390 267 0.687 25.9

5.6 # 29.5 37.6 32.7 23.8 2180 1400 7.61 6.10 218 186 260 213 2650 295 0.686 23.3

6.3
33.0 42.1 28.7 20.8 2420 1550 7.58 6.07 242 207 289 237 2950 326 0.684 20.7

7.1 # 37.0 47.1 25.2 18.1 2680 1720 7.55 6.03 268 229 322 264 3280 361 0.682 18.4

8.0
41.4 52.8 22.0 15.8 2970 1890 7.50 5.99 297 253 359 294 3640 398 0.679 16.4

8.8 # 45.3 57.7 19.7 14.0 3220 2050 7.47 5.96 322 273 390 319 3960 430 0.677 14.9

10.0
51.0 64.9 17.0 12.0 3570 2260 7.41 5.91 357 302 436 356 4410 475 0.674 13.2

11.0 # 55.6 70.9 15.2 10.6 3840 2440 7.37 5.86 385 325 473 386 4770 510 0.672 12.1

12.5
62.5 79.6 13.0 9.00 4240 2670 7.30 5.80 424 356 525 428 5290 559 0.668 10.7

14.2 # 70.0 89.2 11.1 7.56 4640 2920 7.22 5.72 464 389 582 473 5830 610 0.663 9.47

16.0
77.7 99.0 9.50 6.38 5040 3150 7.13 5.64 504 420 638 518 6370 658 0.659 8.48
220 x 120 7.1 # 35.9 45.7 28.0 13.9 2900 1120 7.96 4.94 263 186 326 213 2570 312 0.662 18.4

8.0
40.2 51.2 24.5 12.0 3200 1230 7.91 4.90 291 205 362 236 2850 343 0.659 16.4

8.8 # 43.9 55.9 22.0 10.6 3470 1320 7.87 4.87 315 221 394 256 3090 370 0.657 15.0

10.0
49.4 62.9 19.0 9.00 3840 1460 7.82 4.81 349 243 440 285 3430 407 0.654 13.2

11.0 # 53.9 68.7 17.0 7.91 4140 1560 7.77 4.77 376 261 477 308 3700 436 0.652 12.1

12.5
60.5 77.1 14.6 6.60 4560 1710 7.69 4.71 415 285 530 341 4090 476 0.648 10.7

14.2 # 67.8 86.3 12.5 5.45 5000 1850 7.61 4.63 454 309 586 376 4490 517 0.643 9.48

16.0
75.2 95.8 10.8 4.50 5410 1990 7.52 4.55 492 331 643 410 4870 555 0.639 8.50
250 x 100 5.0 # 26.5 33.7 47.0 17.0 2610 618 8.80 4.28 209 124 263 138 1620 217 0.687 25.9

5.6 # 29.5 37.6 41.6 14.9 2890 681 8.77 4.25 231 136 292 152 1790 239 0.686 23.3

6.3
33.0 42.1 36.7 12.9 3210 751 8.73 4.22 257 150 326 169 1980 264 0.684 20.7

7.1 # 37.0 47.1 32.2 11.1 3560 827 8.69 4.19 285 165 363 188 2200 291 0.682 18.4

8.0
41.4 52.8 28.3 9.50 3940 909 8.64 4.15 315 182 404 209 2430 319 0.679 16.4

8.8 # 45.3 57.7 25.4 8.36 4270 977 8.60 4.12 341 195 439 226 2630 343 0.677 14.9

10.0
51.0 64.9 22.0 7.00 4730 1070 8.54 4.06 379 214 491 251 2910 376 0.674 13.2

11.0 # 55.6 70.9 19.7 6.09 5100 1140 8.49 4.02 408 229 532 271 3130 402 0.672 12.1

12.5
62.5 79.6 17.0 5.00 5620 1240 8.41 3.96 450 249 592 299 3440 438 0.668 10.7

14.2 # 70.0 89.2 14.6 4.04 6160 1340 8.31 3.88 493 269 655 329 3750 473 0.663 9.47

16.0
77.7 99.0 12.6 3.25 6690 1430 8.22 3.80 535 287 719 358 4050 505 0.659 8.48
250 x 150 5.0
30.4 38.7 47.0 27.0 3360 1530 9.31 6.28 269 204 324 228 3280 337 0.787 25.9

5.6 # 33.9 43.2 41.6 23.8 3730 1690 9.29 6.25 298 225 361 254 3640 373 0.786 23.2

6.3
38.0 48.4 36.7 20.8 4140 1870 9.25 6.22 331 250 402 283 4050 413 0.784 20.6

7.1 # 42.6 54.2 32.2 18.1 4610 2080 9.22 6.19 368 277 449 315 4520 457 0.782 18.4

8.0
47.7 60.8 28.3 15.8 5110 2300 9.17 6.15 409 306 501 350 5020 506 0.779 16.3

8.8 # 52.2 66.5 25.4 14.0 5550 2490 9.13 6.12 444 331 545 381 5460 547 0.777 14.9

10.0
58.8 74.9 22.0 12.0 6170 2760 9.08 6.06 494 367 611 426 6090 605 0.774 13.2

11.0 # 64.3 81.9 19.7 10.6 6670 2970 9.03 6.02 534 396 663 462 6600 652 0.772 12.0

12.5
72.3 92.1 17.0 9.00 7390 3260 8.96 5.96 591 435 740 514 7330 717 0.768 10.6

14.2 # 81.1 103 14.6 7.56 8140 3580 8.87 5.88 651 477 823 570 8100 784 0.763 9.41

16.0
90.3 115 12.6 6.38 8880 3870 8.79 5.80 710 516 906 625 8870 849 0.759 8.41
260 x 140 5.0
30.4 38.7 49.0 25.0 3530 1350 9.55 5.91 272 193 331 216 3080 326 0.787 25.9

5.6 # 33.9 43.2 43.4 22.0 3920 1500 9.52 5.89 301 214 368 240 3420 360 0.786 23.2

6.3
38.0 48.4 38.3 19.2 4360 1660 9.49 5.86 335 237 411 267 3800 399 0.784 20.6

7.1 # 42.6 54.2 33.6 16.7 4840 1840 9.45 5.82 372 263 459 298 4230 442 0.782 18.4

8.0
47.7 60.8 29.5 14.5 5370 2030 9.40 5.78 413 290 511 331 4700 488 0.779 16.3

8.8 # 52.2 66.5 26.5 12.9 5830 2200 9.37 5.75 449 314 557 360 5110 527 0.777 14.9

10.0
58.8 74.9 23.0 11.0 6490 2430 9.31 5.70 499 347 624 402 5700 584 0.774 13.2

11.0 # 64.3 81.9 20.6 9.73 7020 2620 9.26 5.65 540 374 678 436 6170 628 0.772 12.0

12.5
72.3 92.1 17.8 8.20 7770 2880 9.18 5.59 597 411 756 485 6840 690 0.768 10.6

14.2 # 81.1 103 15.3 6.86 8560 3140 9.10 5.52 658 449 840 537 7560 754 0.763 9.41

16.0
90.3 115 13.3 5.75 9340 3400 9.01 5.44 718 486 925 588 8260 815 0.759 8.41
260 x 180 8.0 # 52.7 67.2 29.5 19.5 6390 3610 9.75 7.33 492 401 592 459 7220 644 0.859 16.3

8.8 # 57.7 73.5 26.5 17.5 6940 3910 9.72 7.30 534 435 645 500 7860 698 0.857 14.9

10.0 # 65.1 82.9 23.0 15.0 7740 4350 9.66 7.24 595 483 724 560 8800 775 0.854 13.1

11.0 # 71.2 90.7 20.6 13.4 8380 4700 9.62 7.20 645 522 787 608 9550 837 0.852 12.0

12.5 # 80.1 102 17.8 11.4 9300 5200 9.54 7.13 715 577 879 679 10600 924 0.848 10.6

14.2 # 90.1 115 15.3 9.68 10300 5720 9.46 7.06 791 635 980 755 11800 1020 0.843 9.36

16.0 # 100 128 13.3 8.25 11200 6230 9.38 6.98 865 692 1080 831 13000 1110 0.839 8.39
300 x 100 5.0
30.4 38.7 57.0 17.0 4150 731 10.3 4.34 276 146 354 161 2040 262 0.787 25.9

5.6 # 33.9 43.2 50.6 14.9 4600 806 10.3 4.32 307 161 393 179 2260 289 0.786 23.2

6.3
38.0 48.4 44.6 12.9 5110 890 10.3 4.29 341 178 439 199 2500 319 0.784 20.6

7.1 # 42.6 54.2 39.3 11.1 5680 981 10.2 4.25 379 196 490 221 2780 352 0.782 18.4

8.0
47.7 60.8 34.5 9.50 6300 1080 10.2 4.21 420 216 546 245 3070 387 0.779 16.3

8.8 # 52.2 66.5 31.1 8.36 6840 1160 10.1 4.18 456 232 594 266 3320 416 0.777 14.9

10.0
58.8 74.9 27.0 7.00 7610 1280 10.1 4.13 508 255 666 296 3680 458 0.774 13.2

11.0 # 64.3 81.9 24.3 6.09 8230 1360 10.0 4.08 549 273 723 320 3960 490 0.772 12.0

12.5
72.3 92.1 21.0 5.00 9100 1490 9.94 4.02 607 297 806 354 4350 534 0.768 10.6

14.2 # 81.1 103 18.1 4.04 10000 1610 9.85 3.94 669 321 896 390 4760 578 0.763 9.41

16.0
90.3 115 15.8 3.25 10900 1720 9.75 3.87 729 344 986 425 5140 619 0.759 8.41
300 x 200 5.0 # 38.3 48.7 57.0 37.0 6320 3400 11.4 8.35 421 340 501 380 6820 552 0.987 25.8

5.6 # 42.7 54.4 50.6 32.7 7020 3770 11.4 8.32 468 377 558 423 7590 612 0.986 23.1

6.3
47.9 61.0 44.6 28.7 7830 4190 11.3 8.29 522 419 624 472 8480 681 0.984 20.5

7.1 # 53.7 68.4 39.3 25.2 8730 4670 11.3 8.26 582 467 698 528 9470 757 0.982 18.3

8.0
60.3 76.8 34.5 22.0 9720 5180 11.3 8.22 648 518 779 589 10600 840 0.979 16.2

8.8 # 66.0 84.1 31.1 19.7 10600 5630 11.2 8.18 705 563 851 643 11500 912 0.977 14.8

10.0
74.5 94.9 27.0 17.0 11800 6280 11.2 8.13 788 628 956 721 12900 1020 0.974 13.1

11.0 # 81.5 104 24.3 15.2 12800 6800 11.1 8.09 855 680 1040 784 14000 1100 0.972 11.9

12.5
91.9 117 21.0 13.0 14300 7540 11.0 8.02 952 754 1160 877 15700 1220 0.968 10.5

14.2 # 103 132 18.1 11.1 15800 8330 11.0 7.95 1060 833 1300 978 17500 1340 0.963 9.35

16.0
115 147 15.8 9.50 17400 9110 10.9 7.87 1160 911 1440 1080 19300 1470 0.959 8.34
300 x 250 6.3 # 52.8 67.3 44.6 36.7 9190 6950 11.7 10.2 613 556 716 633 12200 862 1.08 20.5

7.1 # 59.3 75.5 39.3 32.2 10300 7750 11.6 10.1 683 620 802 708 13600 960 1.08 18.2

8.0 # 66.5 84.8 34.5 28.3 11400 8630 11.6 10.1 761 690 896 791 15200 1070 1.08 16.2

8.8 # 72.9 92.9 31.1 25.4 12400 9390 11.6 10.1 829 751 979 864 16600 1160 1.08 14.8

10.0 # 82.4 105 27.0 22.0 13900 10500 11.5 10.0 928 840 1100 971 18600 1300 1.07 13.0

11.0 # 90.2 115 24.3 19.7 15100 11400 11.5 9.96 1010 911 1200 1060 20300 1400 1.07 11.9

12.5 # 102 130 21.0 17.0 16900 12700 11.4 9.89 1120 1010 1340 1180 22700 1560 1.07 10.5

14.2 # 115 146 18.1 14.6 18700 14100 11.3 9.82 1250 1130 1500 1320 25400 1730 1.06 9.22

16.0 # 128 163 15.8 12.6 20600 15500 11.2 9.74 1380 1240 1670 1470 28100 1900 1.06 8.28
350 x 150 5.0 # 38.3 48.7 67.0 27.0 7660 2050 12.5 6.49 437 274 543 301 5160 477 0.987 25.8

5.6 # 42.7 54.4 59.5 23.8 8510 2270 12.5 6.47 486 303 605 334 5730 528 0.986 23.1

6.3
47.9 61.0 52.6 20.8 9480 2520 12.5 6.43 542 337 676 373 6390 586 0.984 20.5

7.1 # 53.7 68.4 46.3 18.1 10600 2800 12.4 6.40 604 374 756 416 7120 651 0.982 18.3

8.0
60.3 76.8 40.8 15.8 11800 3100 12.4 6.36 673 414 844 464 7930 721 0.979 16.2

8.8 # 66.0 84.1 36.8 14.0 12800 3360 12.3 6.33 732 449 922 506 8620 781 0.977 14.8

10.0
74.5 94.9 32.0 12.0 14300 3740 12.3 6.27 818 498 1040 566 9630 867 0.974 13.1

11.0 # 81.5 104 28.8 10.6 15500 4030 12.2 6.23 888 538 1130 615 10400 935 0.972 11.9

12.5
91.9 117 25.0 9.00 17300 4450 12.2 6.17 988 593 1260 686 11600 1030 0.968 10.5

14.2 # 103 132 21.6 7.56 19200 4890 12.1 6.09 1100 652 1410 763 12900 1130 0.963 9.35

16.0
115 147 18.9 6.38 21100 5320 12.0 6.01 1200 709 1560 840 14100 1230 0.959 8.34
350 x 200 6.3 # 52.8 67.3 52.6 28.7 11300 4780 13.0 8.43 648 478 784 533 10500 799 1.08 20.5

7.1 # 59.3 75.5 46.3 25.2 12700 5330 12.9 8.40 723 533 878 596 11800 889 1.08 18.2

8.0 # 66.5 84.8 40.8 22.0 14100 5920 12.9 8.36 806 592 981 666 13100 987 1.08 16.2

8.8 # 72.9 92.9 36.8 19.7 15400 6440 12.9 8.32 878 644 1070 727 14300 1070 1.08 14.8

10.0 # 82.4 105 32.0 17.0 17200 7180 12.8 8.27 983 718 1200 816 16000 1200 1.07 13.0

11.0 # 90.2 115 28.8 15.2 18700 7780 12.8 8.23 1070 778 1310 888 17500 1300 1.07 11.9

12.5 # 102 130 25.0 13.0 20900 8640 12.7 8.16 1190 864 1470 994 19500 1440 1.07 10.5

14.2 # 115 146 21.6 11.1 23200 9560 12.6 8.09 1320 956 1650 1110 21700 1590 1.06 9.22

16.0 # 128 163 18.9 9.50 25500 10500 12.5 8.01 1460 1050 1830 1230 24000 1740 1.06 8.28
350 x 250 6.3
57.8 73.6 52.6 36.7 13200 7880 13.4 10.4 754 631 892 709 15200 1010 1.18 20.4

7.1 # 64.9 82.6 46.3 32.2 14700 8800 13.4 10.3 843 704 999 794 17000 1130 1.18 18.2

8.0
72.8 92.8 40.8 28.3 16400 9800 13.3 10.3 940 784 1120 888 19000 1250 1.18 16.2

8.8 # 79.8 102 36.8 25.4 17900 10700 13.3 10.2 1020 853 1220 970 20800 1360 1.18 14.8

10.0
90.2 115 32.0 22.0 20100 11900 13.2 10.2 1150 955 1380 1090 23400 1520 1.17 13.0

11.0 # 98.8 126 28.8 19.7 21900 13000 13.2 10.1 1250 1040 1500 1190 25500 1660 1.17 11.8

12.5
112 142 25.0 17.0 24400 14400 13.1 10.1 1400 1160 1680 1330 28500 1840 1.17 10.4

14.2 # 126 160 21.6 14.6 27200 16000 13.0 10.0 1550 1280 1890 1490 31900 2040 1.16 9.21

16.0
141 179 18.9 12.6 30000 17700 12.9 9.93 1720 1410 2100 1660 35300 2250 1.16 8.23
400 x 150 6.3 # 52.8 67.3 60.5 20.8 13300 2850 14.0 6.51 663 380 836 418 7600 673 1.08 20.5

7.1 # 59.3 75.5 53.3 18.1 14800 3170 14.0 6.47 740 422 936 467 8470 748 1.08 18.2

8.0 # 66.5 84.8 47.0 15.8 16500 3510 13.9 6.43 824 468 1050 521 9420 828 1.08 16.2

8.8 # 72.9 92.9 42.5 14.0 18000 3800 13.9 6.40 898 507 1140 568 10300 898 1.08 14.8

10.0 # 82.4 105 37.0 12.0 20100 4230 13.8 6.35 1010 564 1280 636 11500 998 1.07 13.0

11.0 # 90.2 115 33.4 10.6 21800 4560 13.8 6.30 1090 609 1400 691 12400 1080 1.07 11.9

12.5 # 102 130 29.0 9.00 24400 5040 13.7 6.24 1220 672 1570 772 13800 1190 1.07 10.5

14.2 # 115 146 25.2 7.56 27100 5550 13.6 6.16 1360 740 1760 859 15300 1310 1.06 9.22

16.0 # 128 163 22.0 6.38 29800 6040 13.5 6.09 1490 805 1950 947 16800 1430 1.06 8.28
400 x 200 6.3
57.8 73.6 60.5 28.7 15700 5380 14.6 8.55 785 538 960 594 12600 917 1.18 20.4

7.1 # 64.9 82.6 53.3 25.2 17500 5990 14.6 8.51 877 599 1080 665 14100 1020 1.18 18.2

8.0
72.8 92.8 47.0 22.0 19600 6660 14.5 8.47 978 666 1200 743 15700 1140 1.18 16.2

8.8 # 79.8 102 42.5 19.7 21300 7240 14.5 8.44 1070 724 1320 811 17200 1230 1.18 14.8

10.0
90.2 115 37.0 17.0 23900 8080 14.4 8.39 1200 808 1480 911 19300 1380 1.17 13.0

11.0 # 98.8 126 33.4 15.2 26000 8760 14.4 8.34 1300 876 1620 992 21000 1490 1.17 11.8

12.5
112 142 29.0 13.0 29100 9740 14.3 8.28 1450 974 1810 1110 23400 1660 1.17 10.4

14.2 # 126 160 25.2 11.1 32400 10800 14.2 8.21 1620 1080 2030 1240 26100 1830 1.16 9.21

16.0
141 179 22.0 9.50 35700 11800 14.1 8.13 1790 1180 2260 1370 28900 2010 1.16 8.23
400 x 300 8.0
85.4 109 47.0 34.5 25700 16500 15.4 12.3 1280 1100 1520 1250 31000 1750 1.38 16.2

8.8 # 93.6 119 42.5 31.1 28100 18000 15.3 12.3 1400 1200 1660 1360 33900 1910 1.38 14.7

10.0
106 135 37.0 27.0 31500 20200 15.3 12.2 1580 1350 1870 1540 38200 2140 1.37 12.9

11.0 # 116 148 33.4 24.3 34300 22000 15.2 12.2 1720 1470 2040 1680 41700 2320 1.37 11.8

12.5
131 167 29.0 21.0 38500 24600 15.2 12.1 1920 1640 2300 1880 46800 2590 1.37 10.5

14.2 # 148 189 25.2 18.1 43000 27400 15.1 12.1 2150 1830 2580 2110 52500 2890 1.36 9.19

16.0
166 211 22.0 15.8 47500 30300 15.0 12.0 2380 2020 2870 2350 58300 3180 1.36 8.19
450 x 150 8.0 # 72.8 92.8 53.3 15.8 22300 3910 15.5 6.50 990 522 1270 578 10900 936 1.18 16.2

8.8 # 79.8 102 48.1 14.0 24300 4240 15.5 6.46 1080 566 1390 630 11900 1020 1.18 14.8

10.0 # 90.2 115 42.0 12.0 27200 4720 15.4 6.41 1210 629 1560 706 13300 1130 1.17 13.0

11.0 # 98.8 126 37.9 10.6 29600 5100 15.3 6.36 1320 680 1700 768 14400 1220 1.17 11.8

12.5 # 112 142 33.0 9.00 33100 5640 15.3 6.30 1470 751 1910 858 16100 1350 1.17 10.4

14.2 # 126 160 28.7 7.56 36800 6200 15.2 6.22 1640 827 2140 955 17800 1480 1.16 9.21

16.0 # 141 179 25.1 6.38 40600 6760 15.1 6.15 1810 901 2380 1050 19600 1620 1.16 8.23
450 x 250 8.0
85.4 109 53.3 28.3 30100 12100 16.6 10.6 1340 971 1620 1080 27100 1630 1.38 16.2

8.8 # 93.6 119 48.1 25.4 32800 13200 16.6 10.5 1460 1060 1770 1180 29600 1770 1.38 14.7

10.0
106 135 42.0 22.0 36900 14800 16.5 10.5 1640 1180 2000 1330 33300 1990 1.37 12.9

11.0 # 116 148 37.9 19.7 40200 16100 16.5 10.4 1790 1290 2180 1450 36300 2160 1.37 11.8

12.5
131 167 33.0 17.0 45000 18000 16.4 10.4 2000 1440 2460 1630 40700 2410 1.37 10.5

14.2 # 148 189 28.7 14.6 50300 20000 16.3 10.3 2240 1600 2760 1830 45600 2680 1.36 9.19

16.0
166 211 25.1 12.6 55700 22000 16.2 10.2 2480 1760 3070 2030 50500 2950 1.36 8.19
500 x 200 8.0
85.4 109 59.5 22.0 34000 8140 17.7 8.65 1360 814 1710 896 21100 1430 1.38 16.2

8.8 # 93.6 119 53.8 19.7 37200 8850 17.7 8.61 1490 885 1870 979 23000 1560 1.38 14.7

10.0
106 135 47.0 17.0 41800 9890 17.6 8.56 1670 989 2100 1100 25900 1740 1.37 12.9

11.0 # 116 148 42.5 15.2 45500 10700 17.5 8.52 1820 1070 2300 1200 28200 1880 1.37 11.8

12.5
131 167 37.0 13.0 51000 11900 17.5 8.45 2040 1190 2590 1350 31500 2100 1.37 10.5

14.2 # 148 189 32.2 11.1 56900 13200 17.4 8.38 2280 1320 2900 1500 35200 2320 1.36 9.19

16.0
166 211 28.3 9.50 63000 14500 17.3 8.30 2520 1450 3230 1670 38900 2550 1.36 8.19
500 x 300 8.0
97.9 125 59.5 34.5 43700 20000 18.7 12.6 1750 1330 2100 1480 42600 2200 1.58 16.1

8.8 # 107 137 53.8 31.1 47800 21800 18.7 12.6 1910 1450 2300 1620 46600 2400 1.58 14.8

10.0
122 155 47.0 27.0 53800 24400 18.6 12.6 2150 1630 2600 1830 52400 2700 1.57 12.9

11.0 # 133 170 42.5 24.3 58600 26600 18.6 12.5 2350 1770 2840 2000 57300 2930 1.57 11.8

12.5
151 192 37.0 21.0 65800 29800 18.5 12.5 2630 1980 3200 2240 64400 3280 1.57 10.4

14.2 # 170 217 32.2 18.1 73700 33200 18.4 12.4 2950 2220 3590 2520 72200 3660 1.56 9.18

16.0
191 243 28.3 15.8 81800 36800 18.3 12.3 3270 2450 4000 2800 80300 4040 1.56 8.17

If You Need Any Industrial Solution ... We Are Available For You

Contact Us